Adaptive Control Design
Since R2021a
When a control system contains uncertainties that change over time, such as unmodeled system dynamics and disturbances, an adaptive controller can compensate for the changing process information by adjusting its parameters in real time. By doing so, such a controller can achieve desired reference tracking despite the uncertainties in the plant dynamics.
Simulink® Control Design™ software provides several Simulink blocks for the following real-time adaptive control methods.
Extremum Seeking Control — Model-free adaptation to maximize an objective function derived from the control system
Model Reference Adaptive Control — Adaptation to track the output of a known reference model
Iterative Learning Control — Model-based and model-free adaptation to improve performance of repetitive control tasks.
Sliding Mode Control — Maintain system states on a sliding surface to provide high precision and robust control in presence of uncertainties and disturbances.
Virtual Reference Feedback Tuning — Automatically tune linearly parameterized controllers based on input-output data
Blocks
| Extremum Seeking Control | Compute controller parameters in real time by maximizing objective function |
| Model Reference Adaptive Control | Compute control actions to make controlled system track reference model (Since R2021b) |
| Iterative Learning Control | Design iterative learning controller for repetitive control tasks (Since R2024b) |
| Sliding Mode Controller (Reaching Law) | Design sliding mode controller based on reaching law (Since R2024b) |
| Linear Sliding Mode Controller (State Feedback) | Design sliding mode control with knowledge of linear systems using state feedback (Since R2025a) |
| Virtual Reference Feedback Tuning | Automatically tune linearly parameterized controllers based on input-output data (Since R2025a) |
Topics
Extremum Seeking Control
- Extremum Seeking Control
Update controller parameters to maximize an objective function in the presence of unknown system dynamics. - Extremum Seeking Control for Reference Model Tracking of Uncertain Systems
Track a reference plant model by adapting feedforward and feedback gains for an uncertain dynamic system. - Anti-Lock Braking Using Extremum Seeking Control
Design an extremum seeking controller that maximizes the friction coefficient of an ABS system to achieve the shortest stopping distance.
Model Reference Adaptive Control
- Model Reference Adaptive Control
Compute control actions to make an uncertain controlled system track the behavior of a given reference plant model. - Model Reference Adaptive Control of Satellite Spin
Design an MRAC controller that adapts plant uncertainty model parameters to achieve performance that matches an ideal reference model. - Indirect Model Reference Adaptive Control of First-Order System
Design an indirect MRAC controller that estimates the properties of an unknown first-order system. - Indirect MRAC Control of Mass-Spring-Damper System
Design an indirect MRAC controller that estimates the parameters of an unknown MIMO system.
Sliding Mode Control
- Sliding Mode Control
Design sliding mode control based on reaching law. - Sliding Mode Control Design for Mass-Spring-Damper System
A sliding mode controller defines a sliding surface that the system state converges to and remains on. (Since R2024b) - Sliding Mode Control Design for a Robotic Manipulator
Create a sliding mode controller for a robotic manipulator with two actuated joints. (Since R2024b) - Stabilize Chua System Using Sliding Mode Controller
Design sliding mode controller to stabilize a chaotic system. (Since R2025a) - Sliding Mode Control of DC Motor
Design SMC for reference tracking for a DC motor. (Since R2025a)
Iterative Learning Control
- Iterative Learning Control
Design iterative learning control for a repetitive control task. - Iterative Learning Control of a Single-Input Single-Output System
Implement an ILC controller to improve closed-loop trajectory tracking performance. (Since R2024b) - Model Based Iterative Learning Control of Multi-Input Multi-Output System
Implement model-based ILC controller to improve closed-loop trajectory tracking performance of a MIMO system. (Since R2024b)
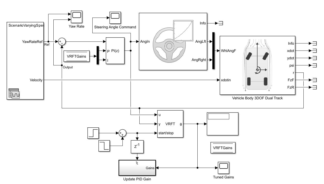
Virtual Reference Feedback Tuning
- Virtual Reference Feedback Tuning
Automatically tune linear controllers such as FIR, PID, or a combination of linearly parameterized controllers based on input-output data. - Tune PID Controller for Mass-Spring-Damper System Using Virtual Reference Feedback Tuning Block
Tune PID controller for mass-spring-damper using VRFT. (Since R2025a) - Tune FIR Filter Type Controller for Flexible Transmission System Using Virtual Reference Feedback Tuning Block
Tune FIR filter type controller using VRFT. (Since R2025a)
Adaptive Notch Filter
- Suppress PMSM Harmonics Using an Extremum Seeking Control Based Adaptive Notch Filter
Reduce harmonic distortion in a PMSM using an extremum seeking control based adaptive notch filter. (Since R2025a) - Suppress Resonances Using Extremum Seeking Control and Frequency Response Estimator Based Adaptive Notch Filter
Suppress resonances in a coupled inertia system using an adaptive notch filter implement using extremum seeking control and frequency response estimator. (Since R2025a)





