Results for
In many universities, introductory programming is taught as a foundation course. Students from different departments are usually brought together to learn to program in these foundation courses. Their home departments may have a programming language preference and that preference may change from department to department. Some universities either strictly teach one language in a single course, some of them teach multiple languages in the same course and give students the flexibility to choose their language for the assignments and projects. How can we make students multilingual when it comes to programming? Is there a way to teach multiple languages in a fair light, side by side without creating a new course or sacrificing one language to teach the other one? Dr. Nathan Kutz from the University of Washington found a creative way to teach MATLAB and Python side by side in his AMATH 301 course. This course is an introductory programming course at the University of Washington and almost all engineering students take it. Do you wonder how Dr. Kutz taught this course? Check out these recordings and course resources! They can be utilized in an in-person or a distance learning setting:
Are you looking for ways to keep your students engaged in a virtual setting? Would you like to spice up your courses with hands-on projects? Using Arduino Engineering Kit, you can achieve these. Due to COVID-19, many instructors started to look for creative ways of giving students a lab experience. Some of them chose to create virtual labs, some of them designed hardware projects with low-cost hardware or integrated hardware projects kits to their curriculum. If you are interested in how Dr. Azadi from San Francisco State University used Arduino Engineering Kit during the pandemic to teach his Mechatronics course, check out these articles:
here is my code, i want to recive an email notification when my "alerta" field increase.
% Read the soil moisture channel data from the past two weeks. % Send an email and tell the user to add water if the value % is in the lowest 10 %. % Store the channel ID for the moisture sensor channel. channelID = 1425554; % Provide the ThingSpeak alerts API key. All alerts API keys start with TAK. alertApiKey = 'TXXXXXXXXXXXX'; % Set the address for the HTTTP call alertUrl="https://api.thingspeak.com/alerts/send"; % webwrite uses weboptions to add required headers. Alerts needs a ThingSpeak-Alerts-API-Key header. options = weboptions("HeaderFields", ["ThingSpeak-Alerts-API-Key", alertApiKey]); % Set the email subject. alertSubject = sprintf("Alertas"); % Read the recent data. Alerta = thingSpeakRead(channelID,'NumDays',30,'Fields',8); % Get the most recent point in the array of moisture data. lastValue = Alerta(end); % Set the outgoing message if (lastValue<=Alerta) alertBody='alerta de anomalia de fluxo de agua'; end % Catch errors so the MATLAB code does not disable a TimeControl if it fails try webwrite(alertUrl, "body", alertBody , "subject", alertSubject, options); catch someException fprintf("Failed to send alert: %s\n", someException.message); end
Are you using ESP32 and want to help us develop functionality for it? We are looking to add support for ESP32 boards in MATLAB. If you have experience with ESP32 and care to share your workflows with us, please let me know here and we will reach out to you for a short interview.
Check out the following webinar by Prof. Rick Hill to learn how you can use the new interactive Live Script Control Tutorials for MATLAB and Simulink for your teaching! Examples demonstrate interactive control design with Bode plots, Nyquist diagrams, engaging animations, and much more.
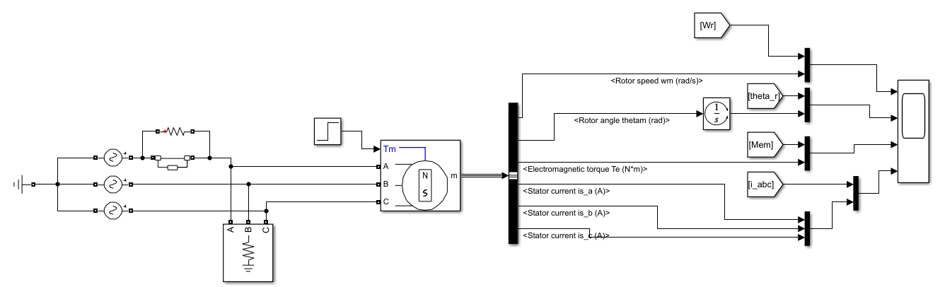
I am trying to simulate the PMSM in fault mode with phase loss at 0.25 sec, but the simulation results are incorrect. For example, the rotor speed changes too much when a phase is missing. I tried to assemble the model in dq coordinates and abc coordinates on my own, but the results are the same. Who can tell you how to modify the engine model so that the simulation shows the correct results?
Educators make their course material more interactive, promote self-directed learning, and increase student engagement through Live Editor. One of the advantages it offers is animated figures in your Live scripts. This can help students better understand dynamic systems such as the motion of a projectile or a double pendulum through visualization. With R2021a, you can now replay animations and explore individual frames without having to re-run the code.
To do so, use the playback controls that appear within the figure window after an animation is done playing. You can view and run this example animation within your browser.
Learn more about creating and sharing live scripts for applications such as flipped classrooms on this Instructional Resources page.
Prof. Duarte Antunes from Eindhoven University of Technology explains how he's been using MATLAB live scripts for teaching an online "Optimal Control and Dynamic Programming" course.
Hello , I wonder how to determine continous or discrete time modelling.For example if I want to run my model in MCU in this case discrete model is suitable?I am a bit confused
How do you teach subjects like Programming and Numerical Computing hands-on in these challenging times?
Prof Chiranjoy Chattopadhyay at the Dept of Computer Science and Engineering at IIT Jodhpur shares his innovative approach to teaching at a distance in this new Technical Article on Teaching Parallel Computing Online with MATLAB.
The course utilized MATLAB Online , MATLAB Onramp and MATLAB Grader to train students in the basics of technical computing, in addition to using a Hands-on Online GPU workshop organised with the MathWorks Education Team. As a result of this approach to distance teaching, the students have reported good levels of understanding in the main learning outcomes of this course, as indicated in the survey results (below):

Please consider trying out the links above to check if your course might benefit from a similar approach, and feel free to message us if you are interested in learning more.
Professor Christophe Demaziere from Chalmers University of Technology, Sweden created a short course on nuclear reactor modeling.
- The course followed a flipped and hybrid approach last year but will most likely be taught entirely online in future due to Covid-19 pandemic.
- MATLAB Grader greatly facilitates the Online nature of Christophe's courses.
- Student Feedback was also very positive saying that they learned better compared to the traditional approach.
Hi, Currently modelling an reciprocating engine coupled to a linear PMSM motor/generator for my PhD. I have downloaded the "Model File Package for Motor Control Design Public Video" simulink model.
Is it possible to convert to rotational PMSM simscape plant model used for a linear PMSM model? As there are none in the library to just drag into the existing control model.
Any ideas i can represent a linear motor based on this existing control model?
My output from the machine needs to be linear position w.r.t, with a total stroke of approximately 100 mm. Can i convert the rotational constant speed input at port "W" to a sinusoidal velocity profile (such that it replicates the velocity profile of a linear machine)?
Any help would be great.
Thanks
Hi everyone,
I am trying to control an actuator with brushless DC Motor in Simulink. At one point, I am in need of the motor rotation and the only parameter available to me is the duty cycle and the direction of rotor. I knew that it is not possible to calculate rotation from duty cycle. In case if some one have idea about this or some suggestions, could you please share with me
Thanks in advance