Simscape Fluids (formerly SimHydraulics) provides component libraries for modeling and simulating fluid systems. It includes models of hydraulic pumps, valves, actuators, pipelines, and heat exchangers. You can use these components to develop fluid power systems such as front-loader, power steering, and landing gear actuation systems. Simscape Fluids also enables you to develop engine cooling, gearbox lubrication, and fuel supply systems. You can integrate mechanical, electrical, thermal, and other physical systems into your model using components from the Simscape family of products.
Simscape Fluids helps you develop control systems and test system-level performance. You can create custom component models with the MATLAB based Simscape language, which enables text-based authoring of physical modeling components, domains, and libraries. You can parameterize your models using MATLAB variables and expressions, and design control systems for your hydraulic system in Simulink. To deploy models to other simulation environments, including hardware-in-the-loop (HIL) systems, Simscape Fluids supports C-code generation.
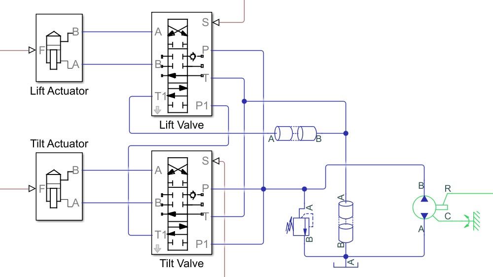
Fluid Power
Model actuation systems in construction equipment, production machinery, and aerospace applications. Evaluate thermal effects and design control algorithms.
Heating and Cooling
Model thermal management systems for batteries, vehicles, buildings, and other applications. Evaluate system architecture and refine component-level requirements.
Fluid Transportation
Model fluid transportation in fuel tanks, supply networks, lubrication assemblies, and other systems. Automate tests under expected and abnormal operating conditions.
Predictive Maintenance
Minimize losses, equipment downtime, and costs by creating algorithms that predict component failure. Model failed components, such as leaking seals or blocked orifices.
Virtual Testing
Verify system behavior under conditions that cannot be easily tested with hardware prototypes. Run sets of tests in parallel on a multicore workstation or a cluster.
Model Deployment
Convert your Simscape model to C code to test control algorithms. Run HIL tests on dSPACE®, Speedgoat, and other real-time systems before performing physical tests.
MATLAB and Simulink
Use MATLAB to automate tasks such as model assembly, testing, and post-processing. Use Simulink to integrate control algorithms and hardware design in a single environment.
From Research To Production
Simscape models help you refine requirements, design control systems, test embedded controllers, and support in-service operation as a digital twin.
Product Resources:
Simscape Product Family
The Simscape product family provides models and solver technology for simulating physical systems. Model electrical, mechanical, fluid, and other physical systems by assembling components into a schematic.
Simscape
Model and simulate multidomain physical systems
Simscape Electrical
Model and simulate electronic, mechatronic, and electrical power systems
Simscape Battery
Design and simulate battery and energy storage systems
Simscape Fluids
Model and simulate fluid systems
Simscape Driveline
Model and simulate rotational and translational mechanical systems
Simscape Multibody
Model and simulate multibody mechanical systems
“It was technically impossible for us to build a full-scale hydraulic system model to run in real time without Simulink, Simscape, and Simulink Real-Time. Our simulator enables us to test new concepts for construction equipment, tune parameters, reduce lead times, and minimize issues in the field.”
Try Simscape Fluids for free
Discover the possibilities today.
Ready to Buy?
Get pricing information and explore related products.
Are You a Student?
Your school may already provide access to MATLAB, Simulink, and add-on products through a campus-wide license.