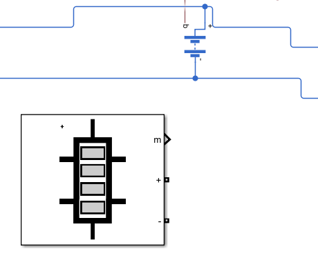
i want to connect fuel cell stack(BLACK COLOR) to the the (BLUE COLOR) blocks
13 views (last 30 days)
Show older comments
Hello,
I am using the Fuel Cell Stack block (black icon) in Simscape Electrical. I want to connect it to other Simscape (blue) blocks in my model, but I am not sure how to properly make the connections.
- The Fuel Cell Stack has ports (+ , - , m).
- The blue Simscape blocks have physical conserving ports.
My questions are:
- Do I need to use Simulink-PS Converter / PS-Simulink Converter blocks to connect the black Fuel Cell Stack to blue Simscape blocks? but this is not working
- how to connect fuel cell stack(BLACK COLOR) to the the (BLUE COLOR) blocks
- What is the correct way to connect the measurement port (m) to other blocks (for monitoring current, voltage, etc.)?
I want to integrate the fuel cell with a DC/DC converter and then drive a PMSM, but I am stuck at this connection stage.
Any help or example would be appreciated.
Answers (1)
Sabin
on 23 Aug 2025
It is not possible to directly connect Specialized Power Systems blocks (black blocks) to blocks implemented in Simscape technology (blue blocks). The two technologies provide similar functionality and it is better to avoid mixing the two technologies for optimal performance. Check out the Fuel Cell block in Simscape and see if that answer your needs: https://www.mathworks.com/help/sps/ref/fuelcell.html
0 Comments
See Also
Categories
Find more on Choose and Parameterize Blocks in Help Center and File Exchange
Community Treasure Hunt
Find the treasures in MATLAB Central and discover how the community can help you!
Start Hunting!