Full Bridge Inverter
Version 1.0.0 (19.2 KB) by
Dr.GADDALA JAYA RAJU
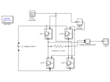
In full bridge inverter also, we need only two gate pulses which is same as half bridge inverter. One gate pulse is for MOSFET 1 and 2 and i
Elements required
1) 4 – MOSFET
2) 1 DC source
3) Resistive load
4) Voltage measurement
5) Pulse generator
6) GOTO and FROM
7) powergui
Cite As
Dr.GADDALA JAYA RAJU (2025). Full Bridge Inverter (https://uk.mathworks.com/matlabcentral/fileexchange/73068-full-bridge-inverter), MATLAB Central File Exchange. Retrieved .
MATLAB Release Compatibility
Created with
R2016a
Compatible with any release
Platform Compatibility
Windows macOS LinuxCategories
- Physical Modeling > Simscape Electrical > Electrical Block Libraries > Semiconductors and Converters >
- Physical Modeling > Simscape Electrical > Specialized Power Systems > Power Converters >
Find more on Semiconductors and Converters in Help Center and MATLAB Answers
Tags
Community Treasure Hunt
Find the treasures in MATLAB Central and discover how the community can help you!
Start Hunting!Discover Live Editor
Create scripts with code, output, and formatted text in a single executable document.
| Version | Published | Release Notes | |
|---|---|---|---|
| 1.0.0 |
