Sector Identification in Space Vector Modulation
Version 1.0.0.0 (8.74 KB) by
Dr. Siva Malla
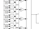
Sector Identification block is presented for SVPWM technique
In SVPWM technique, Sectioor identification is heart block, and in this model sector identification is presented
Cite As
Dr. Siva Malla (2025). Sector Identification in Space Vector Modulation (https://uk.mathworks.com/matlabcentral/fileexchange/39608-sector-identification-in-space-vector-modulation), MATLAB Central File Exchange. Retrieved .
MATLAB Release Compatibility
Created with
R2008a
Compatible with any release
Platform Compatibility
Windows macOS LinuxCategories
Find more on Nonlinear Model Identification in Help Center and MATLAB Answers
Tags
Community Treasure Hunt
Find the treasures in MATLAB Central and discover how the community can help you!
Start Hunting!Discover Live Editor
Create scripts with code, output, and formatted text in a single executable document.
| Version | Published | Release Notes | |
|---|---|---|---|
| 1.0.0.0 |
