19 Level hybrid cascade converter topology
Version 1.0.0.0 (13.2 KB) by
Kannabhiran.A
Hybrid technique allows to achieve more level with minimum cmponents.
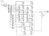
19 Level hybrid cascade converter topology with series connected symmetrical and asymmetrical diode clamped H bridge cells
Cite As
Kannabhiran.A (2026). 19 Level hybrid cascade converter topology (https://uk.mathworks.com/matlabcentral/fileexchange/38026-19-level-hybrid-cascade-converter-topology), MATLAB Central File Exchange. Retrieved .
MATLAB Release Compatibility
Created with
R2010a
Compatible with any release
Platform Compatibility
Windows macOS LinuxCategories
Find more on Electromechanical in Help Center and MATLAB Answers
Tags
Discover Live Editor
Create scripts with code, output, and formatted text in a single executable document.
| Version | Published | Release Notes | |
|---|---|---|---|
| 1.0.0.0 |