Center Tapped Full Wave Rectifier
Version 1.0.0.0 (8.19 KB) by
Hadeed Sher
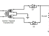
Full wave rectifier using center tapped transformer.Good for beginners of SIMULINK and Electronics
Full wave rectifiers have much more efficiency than the half wave rectifiers. Two types of rectifiers used commonly are center tapped rectifiers and the bridge rectifiers. Here i am presenting a Full wave rectifier with center tapped transformer.
Cite As
Hadeed Sher (2025). Center Tapped Full Wave Rectifier (https://uk.mathworks.com/matlabcentral/fileexchange/30251-center-tapped-full-wave-rectifier), MATLAB Central File Exchange. Retrieved .
MATLAB Release Compatibility
Created with
R2008b
Compatible with any release
Platform Compatibility
Windows macOS LinuxCategories
- Physical Modeling > Simscape Electrical > Specialized Power Systems >
- Physical Modeling > Simscape >
Find more on Specialized Power Systems in Help Center and MATLAB Answers
Tags
Community Treasure Hunt
Find the treasures in MATLAB Central and discover how the community can help you!
Start Hunting!Discover Live Editor
Create scripts with code, output, and formatted text in a single executable document.
| Version | Published | Release Notes | |
|---|---|---|---|
| 1.0.0.0 |
