Single phase fully controlled rectifier fed dc machine
Version 1.0.0 (39.6 KB) by
Praveen
Simulates a single-phase fully controlled rectifier feeding a doubly excited DC machine in MATLAB/Simulink with controllable DC output.
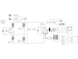
This MATLAB/Simulink model demonstrates a single-phase fully controlled rectifier feeding a doubly excited DC machine. The rectifier allows precise control of the DC voltage and current supplied to the machine by adjusting the thyristor firing angle.
Key features include:
- Input AC and rectified DC waveforms
- Control of armature voltage and current via firing angle
- Behavior of a doubly excited DC machine under varying rectifier control
Cite As
Praveen (2025). Single phase fully controlled rectifier fed dc machine (https://uk.mathworks.com/matlabcentral/fileexchange/182228-single-phase-fully-controlled-rectifier-fed-dc-machine), MATLAB Central File Exchange. Retrieved .
MATLAB Release Compatibility
Created with
R2024a
Compatible with any release
Platform Compatibility
Windows macOS LinuxTags
Community Treasure Hunt
Find the treasures in MATLAB Central and discover how the community can help you!
Start Hunting!Discover Live Editor
Create scripts with code, output, and formatted text in a single executable document.
| Version | Published | Release Notes | |
|---|---|---|---|
| 1.0.0 |