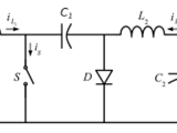
cuk converter + PI
Cite As
Muhammed (2026). cuk converter + PI (https://uk.mathworks.com/matlabcentral/fileexchange/181476-cuk-converter-pi), MATLAB Central File Exchange. Retrieved .
MATLAB Release Compatibility
Created with
R2025a
Compatible with any release
Platform Compatibility
Windows macOS LinuxTags
Discover Live Editor
Create scripts with code, output, and formatted text in a single executable document.
buck c
buck c
| Version | Published | Release Notes | |
|---|---|---|---|
| 1.0.0 |
