Compare Agents on Discrete Simscape Cart-Pole Swing-Up
This example shows how to create and train frequently used default agents on a discrete action space cart-pole environment. This environment is modeled using Simscape™ Multibody™, and represents a pole attached to an unactuated joint on a cart, which moves along a frictionless track. The agent can apply a force to the cart and its training goal is to swing-up and balance the pole upright using minimal control effort. The example plots performance metrics such as the total training time and the total reward for each trained agent.
The results that the agents obtain in this environment, with the selected initial conditions and random number generator seed, do not necessarily imply that specific agents are better than others. Also, note that the training times depend on the computer and operating system you use to run the example, and on other processes running in the background. Your training times might differ substantially from the training times shown in the example.
Fix Random Number Stream for Reproducibility
The example code might involve computation of random numbers at several stages. Fixing the random number stream at the beginning of some sections in the example code preserves the random number sequence in the section every time you run it, which increases the likelihood of reproducing the results. For more information, see Results Reproducibility.
Fix the random number stream with seed zero and random number algorithm Mersenne Twister. For more information on controlling the seed used for random number generation, see rng.
previousRngState = rng(0,"twister");The output previousRngState is a structure that contains information about the previous state of the stream. You will restore the state at the end of the example.
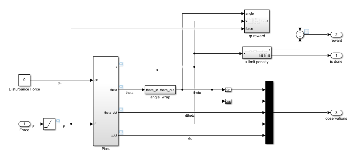
Discrete Action Space Simscape Cart-Pole Environment
The reinforcement learning environment for this example is a pole attached to an unactuated joint on a cart, which moves along a frictionless track. The training goal is to swing up and balance the pole using minimal control effort.
Open the model.
mdl = "rlCartPoleSimscapeModel";
open_system(mdl)
The cart-pole system is modeled using Simscape Multibody.

In this model:
The upright pole angle is zero radians. Initially the pole hangs downwards (the angle is
piradians) without moving.The force (rightwise-positive) action signal from the agent to the environment is either –15, 0 or 15 N.
The observations from the environment are the position and velocity of the cart, and the sine, cosine, and derivative of the pole angle.
The episode terminates if the cart moves more than 3.5 m from the original position.
The reward , provided at every time step, is
Here:
is the (counterclockwise-positive) angle of displacement from the upright position of the pole.
is the position displacement from the center position of the cart.
is the control effort from the previous time step.
is a flag (1 or 0) that indicates whether the cart is out of bounds.
For more information on this model, see Use Predefined Control System Environments.
Create Environment Object
Create a predefined environment object for the system.
env = rlPredefinedEnv("CartPoleSimscapeModel-Discrete")env =
SimulinkEnvWithAgent with properties:
Model : rlCartPoleSimscapeModel
AgentBlock : rlCartPoleSimscapeModel/RL Agent
ResetFcn : []
UseFastRestart : on
The object has a discrete action space where the agent can apply one of two possible force values to the cart, –10 or 10 N.
Get the observation and action specification objects.
obsInfo = getObservationInfo(env)
obsInfo =
rlNumericSpec with properties:
LowerLimit: -Inf
UpperLimit: Inf
Name: "observations"
Description: [0×0 string]
Dimension: [5 1]
DataType: "double"
actInfo = getActionInfo(env)
actInfo =
rlFiniteSetSpec with properties:
Elements: [3×1 double]
Name: "force"
Description: [0×0 string]
Dimension: [1 1]
DataType: "double"
Specify the agent sample time Ts and the simulation time Tf in seconds.
Ts = 0.02; Tf = 25;
Configure Training and Simulation Options for All Agents
Set up an evaluator object to evaluate the agent ten times without exploration every 100 training episodes.
evl = rlEvaluator(NumEpisodes=10,EvaluationFrequency=100);
Create a training options object. For this example, use the following options.
Run each training episode for a maximum of 2000 episodes, with each episode lasting a maximum of
ceil(Tf/Ts)time steps.To have a better insight on the agent's behavior during training, plot the training progress (default option). If you want to achieve faster training times, set the
Plotsoption tonone.Stop the training when the average cumulative reward over the evaluation episodes is greater than –400. At this point, the agent can quickly swing up and balance the pole in the upright position using minimal control effort.
trainOpts = rlTrainingOptions( ... MaxEpisodes=2000, ... MaxStepsPerEpisode=ceil(Tf/Ts), ... StopTrainingCriteria="EvaluationStatistic", ... StopTrainingValue=-400);
For more information on training options, see rlTrainingOptions.
To simulate the trained agent, create a simulation options object and configure it to simulate for 500 steps.
simOptions = rlSimulationOptions(MaxSteps=500);
For more information on simulation options, see rlSimulationOptions.
Create, Train, and Simulate a DQN Agent
The constructor functions initialize the agent networks randomly. Ensure reproducibility of the section by fixing the seed used for random number generation.
rng(0,"twister")Create a default rlDQNAgent object using the environment specification objects.
dqnAgent = rlDQNAgent(obsInfo,actInfo);
To ensure that the RL Agent block in the environment executes every Ts seconds instead of the default setting of one second, set the SampleTime property of dqnAgent.
dqnAgent.AgentOptions.SampleTime = Ts;
Set a lower learning rate and a lower gradient threshold to promote a smoother (though possibly slower) training.
dqnAgent.AgentOptions.CriticOptimizerOptions.LearnRate = 1e-3; dqnAgent.AgentOptions.CriticOptimizerOptions.GradientThreshold = 1;
Use a larger experience buffer to store more experiences, therefore decreasing the likelihood of catastrophic forgetting.
dqnAgent.AgentOptions.ExperienceBufferLength = 1e6;
Train the agent, passing the agent, the environment, and the previously defined training options and evaluator objects to train. Training is a computationally intensive process that takes several minutes to complete. To save time while running this example, load a pretrained agent by setting doTraining to false. To train the agent yourself, set doTraining to true.
doTraining =false; if doTraining % Train the agent. Save the final agent and training results. tic dqnTngRes = train(dqnAgent,env,trainOpts,Evaluator=evl); dqnTngTime = toc; % Extract number of training episodes and total steps. dqnTngEps = dqnTngRes.EpisodeIndex(end); dqnTngSteps = sum(dqnTngRes.TotalAgentSteps); % Uncomment to save the trained agent and the training metrics. % save("dscpsuBchDQNAgent.mat", ... % "dqnAgent","dqnTngEps","dqnTngSteps","dqnTngTime") else load("dscpsuBchDQNAgent.mat", ... "dqnAgent","dqnTngEps","dqnTngSteps","dqnTngTime") end

For the DQN Agent, the training converges to a solution after 1700 episodes. You can check the trained agent within the cart-pole swing-up environment.
Ensure reproducibility of the simulation by fixing the seed used for random number generation.
rng(0,"twister")By default, the agent uses a greedy (hence deterministic) policy in simulation. To use the exploratory policy instead, set the UseExplorationPolicy agent property to true.
Simulate the environment with the trained agent for 500 steps and display the total reward. For more information on agent simulation, see sim.
experience = sim(env,dqnAgent,simOptions); dqnTotalRwd = sum(experience.Reward)
dqnTotalRwd = -333.1581
The trained DQN agent swings up the pole and maintains it upright.
Create, Train, and Simulate a PG Agent
The constructor functions initialize the agent networks randomly. Ensure reproducibility of the section by fixing the seed used for random number generation.
rng(0,"twister")Create a default rlPGAgent object using the environment specification objects.
pgAgent = rlPGAgent(obsInfo,actInfo);
To ensure that the RL Agent block in the environment executes every Ts seconds instead of the default setting of one second, set the SampleTime property of pgAgent.
pgAgent.AgentOptions.SampleTime = Ts;
Set a lower learning rate and a lower gradient threshold to promote a smoother (though possibly slower) training.
pgAgent.AgentOptions.CriticOptimizerOptions.LearnRate = 1e-3; pgAgent.AgentOptions.ActorOptimizerOptions.LearnRate = 1e-3; pgAgent.AgentOptions.CriticOptimizerOptions.GradientThreshold = 1; pgAgent.AgentOptions.ActorOptimizerOptions.GradientThreshold = 1;
Set the entropy loss weight to increase exploration.
pgAgent.AgentOptions.EntropyLossWeight = 0.005;
Train the agent, passing the agent, the environment, and the previously defined training options and evaluator objects to train. Training is a computationally intensive process that takes several minutes to complete. To save time while running this example, load a pretrained agent by setting doTraining to false. To train the agent yourself, set doTraining to true.
doTraining =false; if doTraining % Train the agent. Save the final agent and training results. tic pgTngRes = train(pgAgent,env,trainOpts,Evaluator=evl); pgTngTime = toc; % Extract number of training episodes and total steps. pgTngEps = pgTngRes.EpisodeIndex(end); pgTngSteps = sum(pgTngRes.TotalAgentSteps); % Uncomment to save the trained agent and the training metrics. % save("dscpsuBchPGAgent.mat", ... % "pgAgent","pgTngEps","pgTngSteps","pgTngTime") else % Load the pretrained agent and results for the example. load("dscpsuBchPGAgent.mat", ... "pgAgent","pgTngEps","pgTngSteps","pgTngTime") end

For the PG Agent, the training does not converge to a solution. You can check the trained agent within the cart-pole swing-up environment.
Ensure reproducibility of the simulation by fixing the seed used for random number generation.
rng(0,"twister")By default, the agent uses a greedy (hence deterministic) policy in simulation. To use the exploratory policy instead, set the UseExplorationPolicy agent property to true.
Simulate the environment with the trained agent for 500 steps and display the total reward. For more information on agent simulation, see sim.
experience = sim(env,pgAgent,simOptions); pgTotalRwd = sum(experience.Reward)
pgTotalRwd = -862.4660
The trained PG agent is not able to swing up the pole.
Create, Train, and Simulate an AC Agent
The constructor functions initialize the agent networks randomly. Ensure reproducibility of the section by fixing the seed used for random number generation.
rng(0,"twister")Create a default rlACAgent object using the environment specification objects.
acAgent = rlACAgent(obsInfo,actInfo);
To ensure that the RL Agent block in the environment executes every Ts seconds instead of the default setting of one second, set the SampleTime property of acAgent.
acAgent.AgentOptions.SampleTime = Ts;
Set a lower learning rate and a lower gradient threshold to promote a smoother (though possibly slower) training.
acAgent.AgentOptions.CriticOptimizerOptions.LearnRate = 1e-3; acAgent.AgentOptions.ActorOptimizerOptions.LearnRate = 1e-3; acAgent.AgentOptions.CriticOptimizerOptions.GradientThreshold = 1; acAgent.AgentOptions.ActorOptimizerOptions.GradientThreshold = 1;
Set the entropy loss weight to increase exploration.
acAgent.AgentOptions.EntropyLossWeight = 0.005;
Train the agent, passing the agent, the environment, and the previously defined training options and evaluator objects to train. Training is a computationally intensive process that takes several minutes to complete. To save time while running this example, load a pretrained agent by setting doTraining to false. To train the agent yourself, set doTraining to true.
doTraining =false; if doTraining % Train the agent. Save the final agent and training results. tic acTngRes = train(acAgent,env,trainOpts,Evaluator=evl); acTngTime = toc; % Extract number of training episodes and total steps. acTngEps = acTngRes.EpisodeIndex(end); acTngSteps = sum(acTngRes.TotalAgentSteps); % Uncomment to save the trained agent and the training metrics. % save("dscpsuBchACAgent.mat", ... % "acAgent","acTngEps","acTngSteps","acTngTime") else % Load the pretrained agent and results for the example. load("dscpsuBchACAgent.mat", ... "acAgent","acTngEps","acTngSteps","acTngTime") end

For the PG Agent, the training does not converge to a solution. You can check the trained agent within the cart-pole swing-up environment.
Ensure reproducibility of the simulation by fixing the seed used for random number generation.
rng(0,"twister")By default, the agent uses a greedy (hence deterministic) policy in simulation. To use the exploratory policy instead, set the UseExplorationPolicy agent property to true.
Simulate the environment with the trained agent for 500 steps and display the total reward. For more information on agent simulation, see sim.
experience = sim(env,acAgent,simOptions); acTotalRwd = sum(experience.Reward)
acTotalRwd = -1.0467e+03
The trained AC agent is not able to swing up the pole.
Create, Train, and Simulate a PPO Agent
The constructor functions initialize the agent networks randomly. Ensure reproducibility of the section by fixing the seed used for random number generation.
rng(0,"twister")Create a default rlPPOAgent object using the environment specification objects.
ppoAgent = rlPPOAgent(obsInfo,actInfo);
To ensure that the RL Agent block in the environment executes every Ts seconds instead of the default setting of one second, set the SampleTime property of ppoAgent.
ppoAgent.AgentOptions.SampleTime = Ts;
Set a lower learning rate and a lower gradient threshold to promote a smoother (though possibly slower) training.
ppoAgent.AgentOptions.CriticOptimizerOptions.LearnRate = 1e-3; ppoAgent.AgentOptions.ActorOptimizerOptions.LearnRate = 1e-3; ppoAgent.AgentOptions.CriticOptimizerOptions.GradientThreshold = 1; ppoAgent.AgentOptions.ActorOptimizerOptions.GradientThreshold = 1;
Train the agent, passing the agent, the environment, and the previously defined training options and evaluator objects to train. Training is a computationally intensive process that takes several minutes to complete. To save time while running this example, load a pretrained agent by setting doTraining to false. To train the agent yourself, set doTraining to true.
doTraining =false; if doTraining % Train the agent. Save the final agent and training results. tic ppoTngRes = train(ppoAgent,env,trainOpts,Evaluator=evl); ppoTngTime = toc; % Extract number of training episodes and total steps. ppoTngEps = ppoTngRes.EpisodeIndex(end); ppoTngSteps = sum(ppoTngRes.TotalAgentSteps); % Uncomment to save the trained agent and the training metrics. % save("dscpsuBchPPOAgent.mat", ... % "ppoAgent","ppoTngEps","ppoTngSteps","ppoTngTime") else % Load the pretrained agent and results for the example. load("dscpsuBchPPOAgent.mat", ... "ppoAgent","ppoTngEps","ppoTngSteps","ppoTngTime") end

For the PPO Agent, the training does not converge to a solution. You can check the trained agent within the cart-pole swing-up environment.
Ensure reproducibility of the simulation by fixing the seed used for random number generation.
rng(0,"twister")By default, the agent uses a greedy (hence deterministic) policy in simulation. To use the exploratory policy instead, set the UseExplorationPolicy agent property to true.
Simulate the environment with the trained agent for 500 steps and display the total reward. For more information on agent simulation, see sim.
experience = sim(env,ppoAgent,simOptions); ppoTotalRwd = sum(experience.Reward)
ppoTotalRwd = -864.8414
The trained PPO agent is not able to swing up the pole.
Create, Train, and Simulate a SAC Agent
The constructor functions initialize the agent networks randomly. Ensure reproducibility of the section by fixing the seed used for random number generation.
rng(0,"twister")Create a default rlSACAgent object using the environment specification objects.
sacAgent = rlSACAgent(obsInfo,actInfo);
To ensure that the RL Agent block in the environment executes every Ts seconds instead of the default setting of one second, set the SampleTime property of sacAgent.
sacAgent.AgentOptions.SampleTime = Ts;
Set a lower learning rate and a lower gradient threshold to promote a smoother (though possibly slower) training.
sacAgent.AgentOptions.CriticOptimizerOptions(1).LearnRate = 1e-3; sacAgent.AgentOptions.CriticOptimizerOptions(2).LearnRate = 1e-3; sacAgent.AgentOptions.CriticOptimizerOptions(1).GradientThreshold = 1; sacAgent.AgentOptions.CriticOptimizerOptions(2).GradientThreshold = 1; sacAgent.AgentOptions.ActorOptimizerOptions.LearnRate = 1e-3; sacAgent.AgentOptions.ActorOptimizerOptions.GradientThreshold = 1;
Set the initial entropy weight and target entropy to increase exploration.
sacAgent.AgentOptions.EntropyWeightOptions.EntropyWeight = 5e-3; sacAgent.AgentOptions.EntropyWeightOptions.TargetEntropy = 5e-1;
Use a larger experience buffer to store more experiences, therefore decreasing the likelihood of catastrophic forgetting.
sacAgent.AgentOptions.ExperienceBufferLength = 1e6;
Train the agent, passing the agent, the environment, and the previously defined training options and evaluator objects to train. Training is a computationally intensive process that takes several minutes to complete. To save time while running this example, load a pretrained agent by setting doTraining to false. To train the agent yourself, set doTraining to true.
doTraining =false; if doTraining % Train the agent. Save the final agent and training results. tic sacTngRes = train(sacAgent,env,trainOpts,Evaluator=evl); sacTngTime = toc; % Extract number of training episodes and total steps. sacTngEps = sacTngRes.EpisodeIndex(end); sacTngSteps = sum(sacTngRes.TotalAgentSteps); % Uncomment to save the trained agent and the training metrics. % save("dscpsuBchSACAgent.mat", ... % "sacAgent","sacTngEps","sacTngSteps","sacTngTime") else % Load the pretrained agent and results for the example. load("dscpsuBchSACAgent.mat", ... "sacAgent","sacTngEps","sacTngSteps","sacTngTime") end

For the SAC agent, the training does not seem to converge to a solution. You can check the trained agent within the cart-pole swing-up environment.
Ensure reproducibility of the simulation by fixing the seed used for random number generation.
rng(0,"twister")By default, the agent uses a greedy (hence deterministic) policy in simulation. To use the exploratory policy instead, set the UseExplorationPolicy agent property to true.
Simulate the environment with the trained agent for 500 steps. For more information on simulation options, see rlSimulationOptions and sim.
experience = sim(env,sacAgent,simOptions); sacTotalRwd = sum(experience.Reward)
sacTotalRwd = -390.8948
The trained SAC agent is able to swing-up and maintain the pole somewhat upright, but it is not able to stabilize it as the DQN agent does.
Plot Training and Simulation Metrics
For each agent, collect the total reward from the final simulation episode, the number of training episodes, the total number of agent steps, and the total training time as shown in the Reinforcement Learning Training Monitor.
simReward = [
dqnTotalRwd
pgTotalRwd
acTotalRwd
ppoTotalRwd
sacTotalRwd
];
tngEpisodes = [
dqnTngEps
pgTngEps
acTngEps
ppoTngEps
sacTngEps
];
tngSteps = [
dqnTngSteps
pgTngSteps
acTngSteps
ppoTngSteps
sacTngSteps
];
tngTime = [
dqnTngTime
pgTngTime
acTngTime
ppoTngTime
sacTngTime
];Plot the simulation reward, number of training episodes, number of training steps and training time. Scale the data by the factor [1 50 5e6 20] for better visualization.
bar([simReward,tngEpisodes,tngSteps,tngTime]./[1 50 5e6 20]) xticklabels(["DQN" "PG" "AC" "PPO" "SAC"]) legend(["Simulation Reward","Training Episodes","Training Steps","Training Time"], ... "Location", "northwest")

The plot shows that, for this environment, and with the used random number generator seed and initial conditions only the DQN and SAC agents are able to swing up the pole, with DQN performing better in terms of stabilization and requiring less training time (due to its simpler structure). With a different random seed, the initial agent networks would be different, and therefore, convergence results might be different. For more information on the relative strengths and weaknesses of each agent, see Reinforcement Learning Agents.
Save all the variables created in this example, including the training results, for later use.
% Uncomment to save all the workspace variables % save dscpsuAll.mat
Restore the random number stream using the information stored in previousRngState.
rng(previousRngState);




