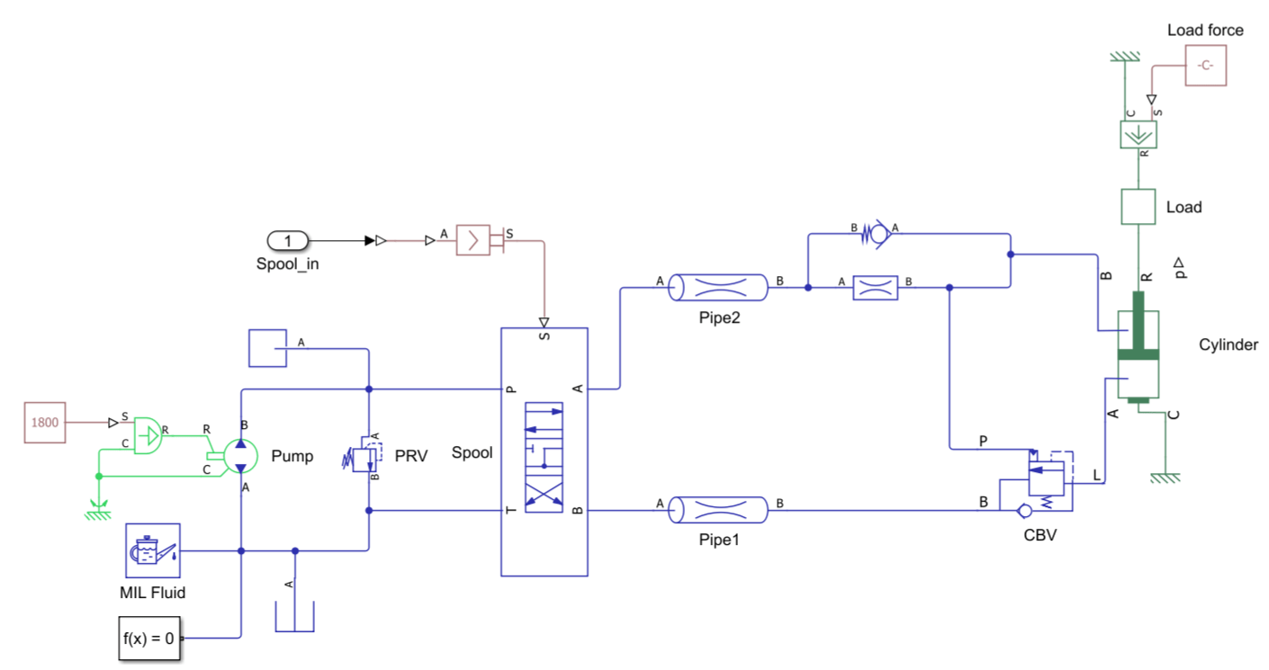
Real-Time Workflows
Real-time configuration examples in multiple
Simscape™
Fluids™ domains
In this section, you can find examples on configuring models for real-time in multiple Simscape Fluids domains.

