Technical Articles

Comparing and Evaluating Control Strategies for Grid-Forming Wind Turbines

By Shiyi Liu, Aalborg University and DNV, Heng Wu, Aalborg University, Xiongfei Wang, KTH Royal Institute of Technology and Aalborg University, and Theo Bosma, DNV


“Simulink and Simscape played a key role in these studies, enabling us to model and simulate control, mechanical, and power electronics elements of GFM-WTs in a unified environment.”

Supported by policies encouraging renewable energy adoption, as well as the need to decarbonize energy systems, wind energy is accounting for an increasing share of overall electricity generation in modern power grids. In the past, when relatively few turbines were in service, grid operators could rely on a large, conventional power plant with a synchronous generator to provide inertia, maintain stability, and establish voltage and frequency reference points for grid-following wind turbines. However, as the balance shifts and more wind power comes online, there is increasing demand from grid operators for grid-forming wind turbines (GFM-WTs)—in particular, Type IV wind turbines with permanent magnet synchronous generators (PMSGs) and full power converters—capable of actively stabilizing the grid by providing voltage and frequency support.

The integration of GFM-WTs into the grid poses several technical challenges from a control perspective. For example, advanced controls are needed to address torsional vibrations and other electromechanical dynamics of GFM-WTs, which can significantly reduce turbine lifespan and induce power oscillations, potentially compromising grid stability. These challenges have underscored the importance of exploring and developing grid-forming control algorithms capable of enhancing grid stability and providing virtual inertia via power converters while minimizing mechanical stress.

As part of a collaboration between Aalborg University and DNV, we recently completed a series of studies focused on stability analysis and the impacts of various control strategies on the electromechanical dynamics of Type IV GFM-WTs. Simulink® and Simscape™ played a key role in these studies, enabling us to model and simulate control, mechanical, and power electronics elements of GFM-WTs in a unified environment (Figure 1). The studies and underpinning simulations spanned multiple disciplines as well as diverse industry perspectives, including those of transmission system operators, who have a vital interest in grid stability, and wind turbine manufacturers, who must prioritize stability while reducing mechanical load to minimize maintenance costs.

GFM-WT Control Basics

In Type IV GFM-WTs, back-to-back converters are used to control the power flow between the turbine’s generator and the grid. The machine-side converter (MSC) converts the variable frequency AC generated by the turbine into DC, allowing control over the generator’s torque and speed. The grid-side converter (GSC) converts the DC back to a stable AC frequency, matching the grid requirements.

While this back-to-back converter configuration helps to decouple generator and grid dynamics, it is still possible for fluctuations on the mechanical side to influence the grid side (and vice versa) due to control system interactions. For example, mechanical oscillations or torsional vibrations in the rotor can cause variations in generator speed that are translated into electrical power variations, which the GSC needs to manage. Likewise, sudden changes in grid voltage or frequency may cause the control system to alter torque commands to the generator, indirectly affecting rotor dynamics. Control algorithms must be carefully designed and tuned to avoid adverse effects, such as negative damping, which amplifies oscillations.

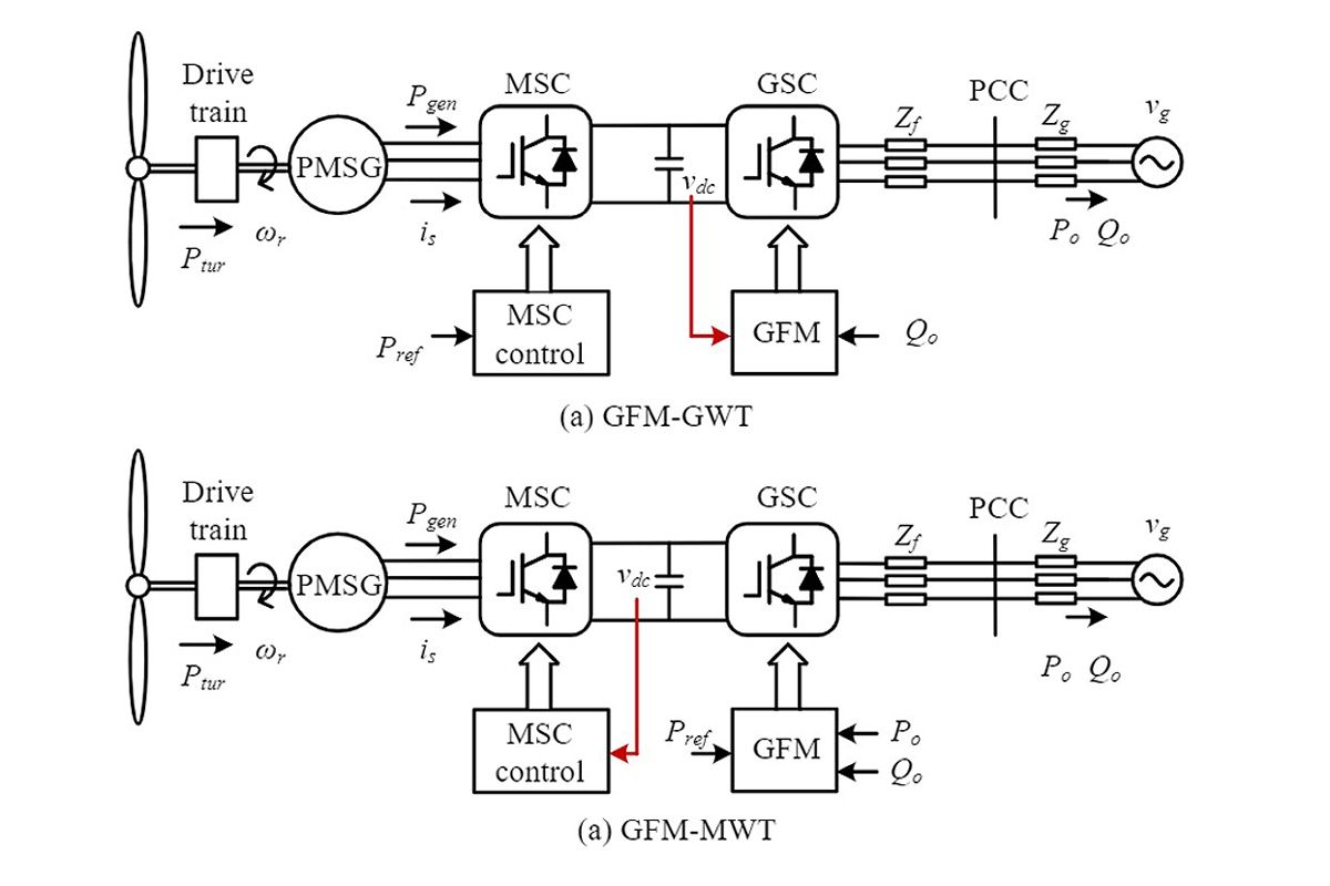
From a control perspective, regulating the DC-link voltage between the converters is key to minimizing problematic interactions between the grid side and the machine side. GFM-WT control strategies can be grouped into two broad categories: GFM-GWT and GFM-MWT (Figure 1). With GFM-GWT control strategies, the GSC regulates the DC-link voltage, whereas with GFM-MWT the MSC regulates the DC-link voltage. The studies we performed with Simulink and Simscape focused on comparing GFM-GWT and GFM-MWT strategies with respect to torsional dynamics, as well as the impact various GFM-MWT DC-link voltage control strategies have on torsional vibrations.

Two schematic diagrams showing the different strategies for regulating the DC-link voltage between converters for GFM-GWT and GFM-MWT control systems.

Figure 1. Two control strategies for GFM-WTs. With GFM-GWT (above), control of the DC-link voltage is managed on the grid side, and with GFM-MWT, it is managed on the machine side.

Modeling and Simulating a GFM-WT and Its Controllers

Before analyzing various control approaches via simulation, we first needed a physical model of a GFM-WT and its interface to the grid, including all the major components shown in Figure 2: the drive train, the PMSG, the MSC, and the GSC. Simulink and Simscape made it straightforward to construct this model visually by simply adding the required elements to the model and connecting them together. At the same time, we had the ability to customize the model to match the specific parameters of an offshore wind turbine. Further, we could adjust the fidelity of individual components as needed. For example, during early phases of the study, we could use a basic model of the grid, while in later phases, we could incorporate a more sophisticated model as needed to account for more nuanced effects.

After building the GFM-WT physical model, we shifted attention to the controls. We used Simulink to model various grid-forming control algorithms described in research papers. We started with the GFM-MWT control, where the grid side manages active and reactive power, and the machine side handles DC-link voltage control. Then, we moved to the GFM-GWT control, where the grid side manages DC-link voltage and reactive power, while the machine side performs Maximum Power Point Tracking (MPPT) (Figure 2). As we worked on the control implementation, we used Control System Toolbox™ to help simplify and streamline gain tuning. For example, the PI controller for the pitch angle of wind turbine control required a significant amount of tuning that would have taken considerable time and effort to do manually.

Schematic diagrams showing the overall GFM-WT model along with its individual GFM-GWT control components for the GSC, MSC outer loop, and MSC inner loop.

Figure 2. GFM-WT model with GFM-GWT control components.

After implementing and tuning various controllers, we ran numerous simulations to assess each strategy and its effect on electromechanical dynamics, mechanical stress, and grid stability. The simulations yielded several valuable insights. On the grid side, for example, we found that a specific type of DC-link voltage control for GFM-MWT that has no feedback loop from the GSC and the turbine minimizes certain adverse damping effects. Moreover, we performed a sensitivity analysis by running 10,000+ simulations with varying parameter values under GFM-MWT and GFM-GWT controls, collecting the results and training a feedforward neural network (FNN) to better understand how mechanical and electrical parameters influence the damping ratio of torsional modes of GFM-WTs. For wind turbine manufacturers, understanding how parameters affect the damping ratio can inform better design choices, particularly in selecting converter control strategies and tuning them to enhance torsional stability. For grid operators, these insights can be used to develop more robust integration strategies for GFM applications, enhancing small-signal stability and grid reliability.

The Importance of Collaboration

Collaboration between DNV and Aalborg University was integral to the success of this effort. Input and guidance from DNV helped to maintain a practical perspective, keeping the focus on issues that most concern turbine manufacturers. As just one example, we had access to real grid-forming control hardware from an actual turbine, which would rarely happen with a purely academic research project.

The close relationship between industry and academia on this project is also shaping how it will be carried forward. The need for grid-forming technology across the industry is already apparent and it is growing. As part of its ongoing efforts to address this need, DNV has kicked off a new R&D project based on the models, simulations, and results produced throughout this collaboration. The simulation environment fosters multidisciplinary collaboration by bringing together power electronics, electrical engineers, and mechanical/loads engineers on a unified platform. This integration reduces the need for cumbersome interfaces between different tools, breaking down collaboration barriers and enabling early design iterations. As a result, teams can holistically optimize wind turbine designs before proceeding to detailed studies.

Acknowledgments

Funding support for this work was provided by the European Union’s Horizon 2020 Research and Innovation Program through the Marie Sklodowska-Curie Actions under Grant 861398.

Published 2024